TWIN DISC MG-5111-A - Keerkoppeling

Marine gearbox
| Referentienummer | 13615 |
| Merk | Twin Disc |
| Model | MG5111A |
| Verhouding | 2,44:1 |
| Vermogen | 320 PK |
| OPM | 1800 |
| Serienummer | 5FC005 |
| Algemene staat | Running take out |
| Status | Te koop |
Specifieke informatie
| Sae-behuizing | SAE-1, damaged |
| Bedieningselementen | Mechanical |
Speciale functies
| Steunen | No |
| Oliekoeler | No |
| Aftakas | No |
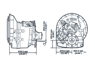
Afmetingen
| LxBxH (cm) | 70x60x70 |
| Gewicht (kg) | 250 |